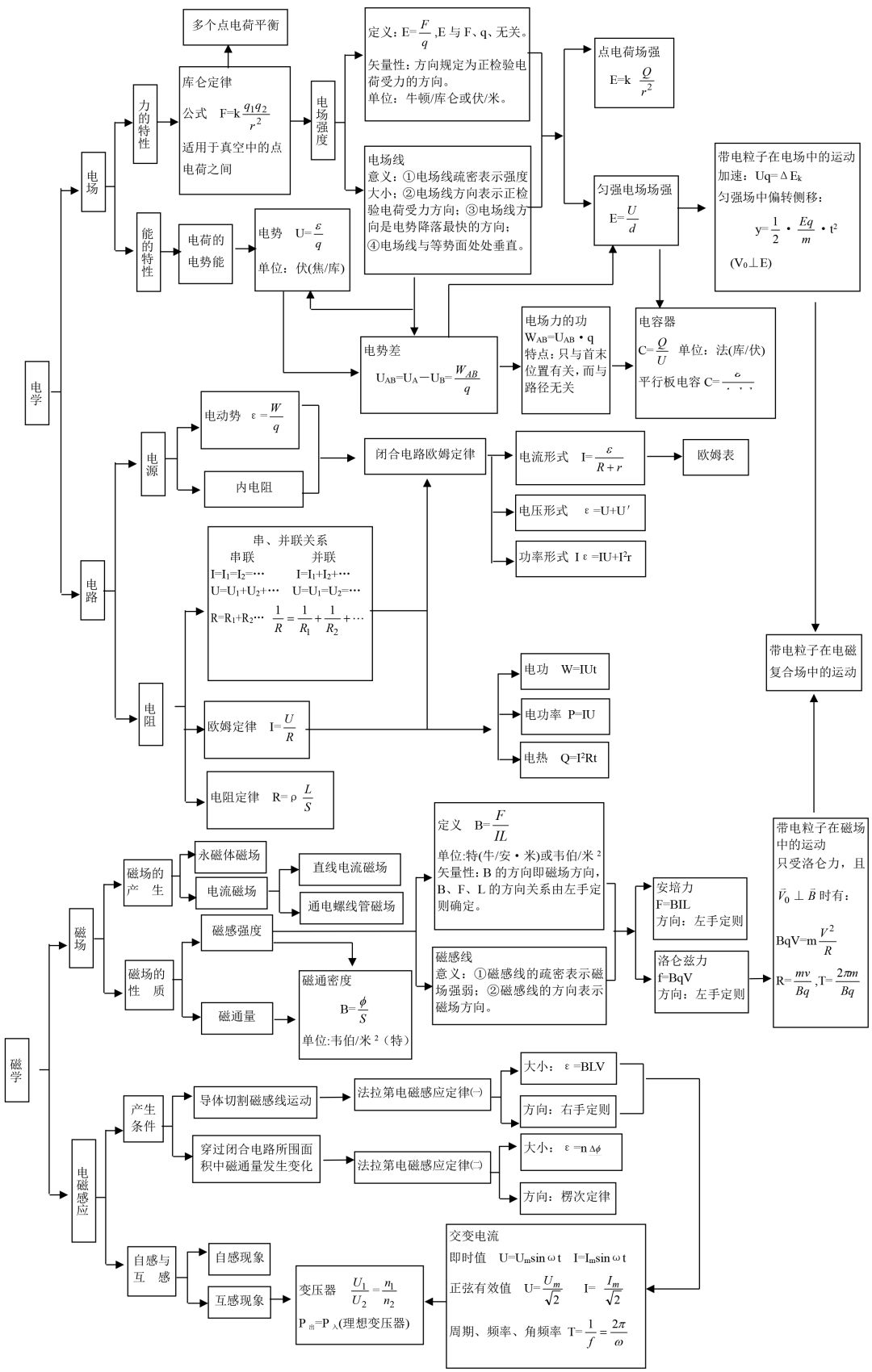
北京admw360教研组为大家整理了高中物理的框架图知识,分享给各位同学,需要的小伙伴赶紧收藏吧。
★招生班级:鸿志班、笃学班、翰林班
★招生对象:京籍全日制:高复生,京籍回京,高一至高二全日制
非京籍全日制:天津河北等省高考生,高一至高二全日制
★师 资:特聘海淀高中校长,教学管理,特邀海淀高考团队授课



北京高考备考资料下载网入口>>>>>>>>>(点此进入)名校试题-–试卷解析—最新试题—考点汇总—知识点讲解
试题推荐:

点点在线ios版下载课程推荐:(报名热线:400-616818-2)